网站首页
产品中心
新能源连接器
PCB板插脚端子
AC抽牙防接线扭动插脚50A-80A
AE铆螺母防接线扭动插脚60A-80A
AT铆垫片防接线扭动插脚50A-130A
KC抽牙侧插脚40A-80A
KE铆螺母侧插脚50A-110A
KT铆垫片侧插脚40A-200A
QC抽牙直插脚40A-200A
QE抽牙直插脚40A-200A
QQ通孔无螺纹直插脚80A-160A
QT铆垫片直插脚50A-300A
QW无孔直插脚100A-180A
软硬搭接铜排
叠层铜排
晶体压块
贴片汇流条
CP插片
铜铝排软连接
关于华铜
公司简介
加入我们
应用案例
储能
电动交通
充电桩
电力热能
逆变电源
光伏太阳能
服务中心
销售服务
技术咨询
铜排计算器
额定电流计算器
汇流条计算器
新闻资讯
公司新闻
行业资讯
常见问题
联系我们
搜索
产品中心
卓越之力 高效创新
新能源连接器
PCB板插脚端子
软硬搭接铜排
叠层铜排
晶体压块
贴片汇流条
CP插片
铜铝排软连接
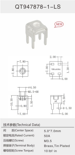
QT947878-1-LS
详细信息
上一篇:
QT947878-1
下一篇:
QT947979